
ГОСУДАРСТВЕННЫЙ СТАНДАРТ СОЮЗА ССР
ОКНА И БАЛКОННЫЕ ДВЕРИ ДЕРЕВЯННЫЕ С ТРОЙНЫМ ОСТЕКЛЕНИЕМ ДЛЯ ЖИЛЫХ И ОБЩЕСТВЕННЫХ ЗДАНИЙ
Типы, конструкция и размеры
ГОСТ 16289-86
Государственный строительный комитет СССР
Москва
РАЗРАБОТАН Государственным комитетом по гражданскому строительству и архитектуре при Госстрое СССР
РАЗРАБОТЧИКИ
И.В.Строков (руководитель темы); Б.А.Филозофович; И.С.Посельская; Г.Г.Коваленко; Н.Н.Цаплев, канд. техн. наук; А.В.Ткаченко; Г.В.Левушкин; Н.В.Шведов
ВНЕСЕН Государственным комитетом по гражданскому строительству и архитектуре при Госстрое СССР
Зам. Председателя М.П. Коханенко
УТВЕРЖДЕН И ВВЕДЕН В ДЕЙСТВИЕ постановлением Государственного комитета СССР по делам строительства от 14 ноября 1985 № 192
ГОСУДАРСТВЕННЫЙ СТАНДАРТ СОЮЗА ССР
ОКНА И БАЛКОННЫЕ ДВЕРИ ДЕРЕВЯННЫЕ
С ТРОЙНЫМ ОСТЕКЛЕНИЕМ ДЛЯ ЖИЛЫХ
И ОБЩЕСТВЕННЫХ ЗДАНИЙ
Типы, конструкция и размеры
Wooden windows and balcony doors of triple
glazing for dwelling and public buildings.
Types, structure and dimensions
Постановлением Государственного комитета СССР по делам строительства от 14 ноября 1985 № 192 срок введения установлен
с 01.01.87
Настоящий стандарт распространяется на деревянные окна и балконные двери с тройным остеклением, предназначаемые для жилых и общественных зданий, а также для вспомогательных зданий и помещений предприятий различных отраслей народного хозяйства.
1. ОСНОВНЫЕ РАЗМЕРЫ И МАРКИ
1.1. Окна и балконные двери изготовляют по настоящему стандарту с раздельноспаренными переплетами и дверными полотнами.
1.2. Габаритные размеры окон и балконных дверей и размеры проемов для них должны соответствовать: для жилых зданий-указанным на черт. 1 и в приложении 1; для общественных зданий-указанным на черт. 2 и в приложении 2.
Окна и балконные двери, приведенные на черт. 1, допускается применять и для общественных зданий.
1.3. Окна размерами 9-13,5; 12-13,5; 15-13,5; 18-13,5 и 21-13,5 модулей (модуль М = 100 мм) для заполнения проемов в стенах из немодульного кирпича лицевой кладки по требованию потребителя должны изготовлять шириной на 80 мм больше указанной на черт. 1 за счет увеличения ширины широких створок, а окно размерами 15-6 модулей-шириной на 70 мм меньше указанной на черт. 1, при этом маркировку изменяют соответственно на 9-14; 12-14; 15-14; 18-14; 21-14 и 15-5.
1.4. По требованию потребителей одностворные окна и балконные двери, в т.ч. с форточными створками и фрамугами, должны изготовляться также и левыми, а многостворные окна с несимметричным рисунком-в негативном изображении.
1.5. Устанавливают следующую структуру условного обозначения (марки) окон и балконных дверей:

Примеры условных обозначений:
Окно правое типа РС для проема высотой 15 и шириной 9 дм:
ОРС15-9 ГОСТ 16289-86
То же, левое:
ОРС15-9Л ГОСТ 16289-86
Окно типа РС для проема высотой 15 и шириной 13,5 дм, с форточной створкой:
ОРС15-13,5 ГОСТ 16289-86
То же, для проема высотой 18 и шириной 18 дм, с несимметричным рисунком (вариант В):
ОРС18-18В ГОСТ 16289-86
То же, в негативном изображении:
ОРС18-18ВН ГОСТ 16289-86
Дверь балконная правая типа РС для проема высотой 22 и шириной 7,5 дм:
БРС22-7,5 ГОСТ 16289-86
То же, левая:
БРС22-7,5 Л ГОСТ 16289-86
2. ТРЕБОВАНИЯ К КОНСТРУКЦИИ
2.1. Окна и балконные двери должны изготовляться в соответствии с требованиями ГОСТ 23166-78 и настоящего стандарта по рабочим чертежам, утвержденным в установленном порядке.
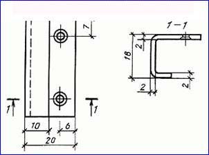
2.2. Конструкция, форма, основные размеры и марки окон и балконных дверей для жилых зданий должны соответствовать указанным на черт. 3-6, размеры сечений-на черт. 7-15; для общественных зданий на черт. 16-22, размеры сечений-на черт. 23-32.
2.3. Размеры на общих видах окон и балконных дверей даны в свету, по наружным сторонам створок, форточек, фрамуг и полотен дверей и по наружным сторонам коробок.
На чертежах, приведенных в настоящем стандарте, указаны размеры для неокрашенных деталей и изделий в миллиметрах.
2.4. Для отвода дождевой воды в нижних брусках коробок и в горизонтальных импостах под широкими створками, фрамугами и полотнами сверлят отверстия диаметром 10 мм, располагаемые на расстоянии 50 мм от вертикальных брусков коробок и импостов, а под форточными и узкими створками-одно отверстие посередине створок.
2.5. Наружные створки окон и наружные полотна балконных дверей должны быть оснащены врезными завертками со съемными ручками, а фрамуги-фрамужными приборами по ГОСТ 5090-79.
2.6. Наружные створки окон и наружные полотна балконных дверей должны быть навешены на врезные петли с вынимающимися стержнями по ГОСТ 5088-76.
Внутренние створки окон высотой более 1400 мм и шириной более 600 мм, высотой более 1000 мм и шириной более 900 мм, а также полотна балконных дверей должны быть навешены на три петли.
2.7. Для остекления окон и балконных дверей жилых зданий следует применять стекло по ГОСТ 111-78 толщиной 2,5-3 мм, а для общественных зданий-толщиной 3-4 мм.
Толщину стекла уточняют в проекте с учетом ветровых нагрузок и шумовых воздействий в районе строительства и указывают в заказе на изделия.
2.8. Места расположения уплотняющих пенополиуретановых прокладок по ГОСТ 10174-72 в притворах окон и балконных дверей указаны на чертежах сечений.
2.9. По требованию потребителей по периметру коробок окон и балконных дверей на торцевых и боковых поверхностях допускаются продольные пазы различного профиля, заполняемые деревянными вкладышами и обрамляемые наличниками при соединении изделий друг с другом.
2.10. Для обеспечения возможности оборудования окон и балконных дверей общественных зданий фрамужными приборами рычажного типа допускается увеличивать толщину верхних и вертикальных брусков коробок и импостов на 20 мм без изменения габаритов изделий.
2.11. По согласованию изготовителя с потребителем допускается изготовление балконных дверей высотой 28 модулей с фрамугами в отдельных коробках. В этом случае высоту глухой части полотен или остекленной части фрамуг уменьшают на 50 мм.
2.12. Расположение приборов в окнах и балконных дверях (примеры) приведено в приложении 3; спецификация стекол для окон и балконных дверей жилых зданий приведена в приложении 4, спецификация стекол для окон и балконных дверей общественных зданий-в приложении 5; фрамужный соединитель и ручка-упор приведены в приложении 6.
Типы и габаритные размеры окон и балконных дверей жилых зданий

Черт. 1
Типы и габаритные размеры окон и балконных дверей общественных зданий

Примечания к черт. 1 и 2.
1. Схемы изделий изображены со стороны фасада.
2. Цифры над схемами изделий означают размеры проемов в модулях.
Черт. 2
Конструкция, форма, основные размеры и марки окон и балконных дверей жилых зданий

Черт. 3

Черт. 4

Черт. 5

Черт. 6
Сечения по притворам окон и балконных дверей жилых зданий

Сечение | а | б | в | Деталь |
А1 | 55 | 115 | 85 | 1 | 5 | 9 |
Б1 | 65 | 125 | 95 | 2 | 6 | 10 |
Примечание. Допускается размеры раскладки по стеклу уменьшать на 1 мм. |
Черт. 7

1-уплотняющие прокладки; 2-отверстие диаметром 10 мм для отвода воды
Сечение | а | б | в | Деталь |
А2 | 55 | 110 | 90 | 3 | 7 | 11 |
Б2 | 65 | 120 | 100 | 4 | 8 | 12 |
Примечания. 1. К1-профили сечения коробок; 1 (в круге)- профили сечения створок. 2. Вариант отлива из алюминия см. черт. 10. |
Черт. 8

Сечение | а | б | в | Деталь |
А3 | 55 | 125 | 85 | 1 | 5 | 9 |
Б3 | 65 | 135 | 95 | 2 | 6 | 10 |
Черт. 9

Сечение | а | б | в | Деталь |
А4 | 55 | 165 | 115 | 1 | 5 | 9 | 3 | 7 | 11 |
Б4 | 65 | 185 | 135 | 2 | 6 | 10 | 4 | 8 | 12 |
Черт. 10

Сечение | а | б | в | Деталь |
А5 | 55 | 190 | 130 | 1 | 5 | 9 |
Б5 | 65 | 210 | 150 | 2 | 6 | 10 |
Черт. 11

Черт. 12

1-твердая ДВП толщиной 3,2-4 мм по ГОСТ 4598; 2-мягкая ДВП толщиной 8 мм по ГОСТ 4598; 3-пергамин по ГОСТ 2697; 4-обшивка типа О-2 по ГОСТ 8242; 5-раскладка
Черт. 13

Черт. 14

Черт. 15
Конструкция, форма, основные размеры и марки окон и балконных дверей общественных зданий

Черт. 16

Черт. 17

Черт. 18

Черт. 19

Черт. 20

Черт. 21

Черт. 22
Сечения по притворам окон и балконных дверей общественных зданий

Черт. 23

1-уплотняющие прокладки; 2-отверстие диаметром 10 мм для отвода воды
Черт. 24

Черт. 25

Сечения | а | б | в | г | Деталь |
В4 | 210 | 5 | 30 | 124 | К14 |
В5 | 220 | 15 | 40 | 134 | К15 |
Примечание. Петля для сечения В5. |
Черт. 26

Черт. 27

Примечание. Заполнение полотен см. черт. 29.
Черт. 28

1-твердая древесноволокнистая плита Т-400 по ГОСТ 4598-74, толщиной 3,2-4 мм; 2-мягкая древесноволокнистая плита по ГОСТ 4598-74, толщиной 8 мм; 3-пергамин по ГОСТ 2697-83; 4-обшивка типа 2 по ГОСТ 8242-75; 5-раскладки.
Черт. 29

Черт. 30

Черт. 31

1-нащельник
Черт. 32
ПРИЛОЖЕНИЕ 1
Справочное
ГАБАРИТЫ ПРОЕМОВ ОКОН И БАЛКОННЫХ ДВЕРЕЙ В НАРУЖНЫХ СТЕНАХ ЖИЛЫХ ЗДАНИЙ

Примечание. Размеры ширины проемов указаны для стен из панелей и модульного кирпича.
ПРИЛОЖЕНИЕ 2
Справочное
ГАБАРИТЫ ПРОЕМОВ ОКОН И БАЛКОННЫХ ДВЕРЕЙ В НАРУЖНЫХ СТЕНАХ ОБЩЕСТВЕННЫХ ЗДАНИЙ

Примечание. Размеры ширины проемов указаны для стен из панелей и модульного кирпича.
ПРИЛОЖЕНИЕ 3
Рекомендуемое
РАСПОЛОЖЕНИЕ ПРИБОРОВ В ОКНАХ И БАЛКОННЫХ ДВЕРЯХ
(примеры)

1-петля ПВ1-100Л для внутренних створок, ПВ2-100-1 для наружных створок; 2-петля ПВ3-1 для спаривания; 3-петля ПВ1-80П для внутренних створок, ПВ2-75-1 для наружных створок; 4 ¾ завертка ЗР2-1 для внутренних створок; ЗР2-2 для наружных створок со съемной ручкой; 5-стяжка СТ
Черт. 1

1-петля ПВ1-100П для внутренних, ПВ2-100-1 для наружных створок; 2 ¾ петля ПВ3-1 для спаривания; 3-петля ПВ2-100-2 для наружных и внутренних фрамуг; 4-завертка ЗР2-1 для внутренних створок; ЗР2-2 для наружных створок со съемной ручкой; 5-прибор фрамужный ПФ2; 6-петля ПВ3-2 для спаривания; 7-фрамужный соединитель; 8-стяжка СТ; 9-ручка РС80; 10-фиксатор ФК1
Черт. 2
Примечания к черт. 1 и 2:
1. Приборы для окон и балконных дверей должны соответствовать ГОСТ 538-78, ГОСТ 508780, ГОСТ 5088-78, ГОСТ 5090-79 и ГОСТ 5091-78.
2. Наружные створки должны навешиваться на петли типов ПВ2 с вынимающимися стержнями.
3. Завертки показаны в открытом положении.
4. Ручки РС80 устанавливают на наружных створках с внешней стороны здания на высоте 1000 мм от порога.
5. Фрамужный прибор показан условно.
6. Стяжки СТ располагают на створках со стороны помещения.
7. Угольники устанавливают в соответствии с п. 2.13 ГОСТ 23166-78.
8. Фиксаторы устанавливают на узкие створки окон жилых и общественных зданий.
ПРИЛОЖЕНИЕ 4
Справочное
СПЕЦИФИКАЦИЯ СТЕКОЛ ДЛЯ ОКОН И БАЛКОННЫХ ДВЕРЕЙ ЖИЛЫХ ЗДАНИЙ
| Размер, мм |
Марка | внутренний | наружный |
| Высота | Ширина | Кол. | Высота | Ширина | Кол. |
ОРС 6-9 | 400 | 715 | 2 | 350 | 635 | 1 |
ОРС 6-12 | 400 | 585 | 2 | 350 | 515 | 1 |
| | 315 | | | 245 | |
ОРС 9-9 | 700 | 715 | 2 | 650 | 635 | 1 |
ОРС 9-12 | 700 | 585 | 2 | 650 | 515 | 1 |
| | 315 | | | 245 | |
ОРС 9-13,5 | 700 | 735 | 2 | 650 | 665 | 1 |
| | 315 | | | 245 | |
ОРС 9-15 | 700 | 885 | 2 | 650 | 815 | 1 |
| | 315 | | | 245 | |
ОСП 12-9 | 535 | 715 | 2 | 485 | 635 | |
| 365 | | | 315 | | 1 |
| 1000 | 585 | | 950 | 515 | |
ОРС 12-12 | 535 | 315 | 2 | 485 | 245 | 1 |
| 365 | | | 315 | | |
| 1000 | 735 | | 950 | | |
ОРС 12-13,5 | 535 | 315 | 2 | 485 | 245 | 1 |
| 365 | | | 315 | | |
| 1000 | 885 | | 950 | | |
ОРС 12-15 | 535 | 315 | 2 | 485 | 245 | 1 |
| 365 | | | 315 | | |
ОРС 15-6 | 835 | 415 | 2 | 785 | 335 | 1 |
| 365 | | | 315 | | |
ОРС 15-9 | 835 | 715 | 2 | 785 | 635 | 1 |
| 365 | | | 315 | | |
ОРС 15-9А | 1300 | 715 | 2 | 1250 | 635 | 1 |
| 1300 | 585 | | 1250 | 515 | |
ОРС 15-12 | 835 | 315 | 2 | 785 | 245 | 1 |
| 365 | | | 315 | | |
| 1300 | 735 | | 1250 | 665 | |
ОРС 15-13,5 | 835 | 315 | 2 | 785 | 245 | 1 |
| 365 | | | 315 | | |
| 1300 | 315 | 2 | 1250 | 245 | |
ОРС 15-18 | 835 | 315 | 2 | 785 | 245 | 1 |
| 365 | | | 315 | | |
| 1300 | 685 | 4 | 1250 | 615 | |
ОРС 15-21 | 835 | 315 | 2 | 785 | 245 | 1 |
| 365 | | | 315 | | |
ОРС 18-9 | 995 | 695 | 2 | 945 | 615 | 1 |
| 465 | | | 415 | | |
ОРС 18-9А | 1580 | 695 | 2 | 1530 | 615 | 1 |
| 1580 | 695 | | 1530 | 625 | |
ОРС 18-13,5 | 995 | 315 | 2 | 945 | 245 | 1 |
| 465 | | | 415 | | |
| 1300 | 885 | | 1250 | 815 | |
ОРС 15-15 | 835 | 315 | 2 | 785 | 245 | 1 |
| 365 | | | 315 | | |
| 1580 | 815 | | 1530 | 77 | |
ОРС 18-15 | 995 | 315 | 2 | 945 | 245 | 1 |
| 465 | | | 415 | | |
БРС 22-7,5 | 1300 | 545 | 2 | 1250 | 465 | 1 |
БРС 22-9 | 1300 | 695 | 2 | 1250 | 615 | 1 |
БРС24-7,5 | 1580 | 545 | 2 | 1530 | 465 | 1 |
БРС 24-9 | 1580 | 695 | 2 | 1530 | 615 | 1 |
ПРИЛОЖЕНИЕ 5
Справочное
СПЕЦИФИКАЦИЯ СТЕКОЛ ДЛЯ ОКОН И БАЛКОННЫХ ДВЕРЕЙ ОБЩЕСТВЕННЫХ ЗДАНИЙ
| Размер, мм |
Марка | внутренний | наружный |
| Высота | Ширина | Кол. | Высота | Ширина | Кол. |
ОРС 12-9В | 980 | 695 | 2 | 930 | 615 | 1 |
ОРС 12-12В | 980 | 995 | 2 | 930 | 915 | 1 |
ОРС12-13,5В | 980 | 1145 | 2 | 930 | 1065 | 1 |
ОРС 12-15В | 980 | 775 | 2 | 930 | 705 | 1 |
| | 385 | | | 315 | |
ОРС12-18В | 980 | 995 | 2 | 930 | 925 | 1 |
| | 465 | | | 395 | |
ОРС 12-21В | 980 | 1195 | 2 | 930 | 1125 | 1 |
| | 565 | | | 495 | |
ОРС 18-9В | 1050 | 695 | 2 | 1000 | 615 | 1 |
| 395 | | | 335 | | |
ОРС 18-12В | 1050 | 995 | 2 | 1000 | 915 | 1 |
| 395 | | | 335 | | |
ОРС18-13,5В | 1050 | 1145 | 2 | 1000 | 1065 | 1 |
| 395 | | | 335 | | |
| 1580 | 385 | | 1530 | 315 | |
ОРС 18-15В | 1050 | 775 | 2 | 1000 | 705 | 1 |
| 395 | | | 335 | | |
| 1580 | 465 | | 1530 | 395 | |
ОРС 18-18В | 1050 | 995 | 2 | 1000 | 925 | 1 |
| 395 | | | 335 | | |
| 1580 | 565 | | 1530 | 495 | |
ОРС 18-21В | 1050 | 1195 | 2 | 1000 | 705 | 1 |
| 395 | | | 335 | 1125 | |
| 1580 | | | 1530 | | |
ОРС 18-24В | 1050 | 1030 | 2 | 1000 | 960 | 1 |
| 395 | | | 335 | | |
ОРС 18-9Г | 1580 | 695 | 2 | 1530 | 615 | 1 |
| 1580 | | | 1530 | | |
ОРС 18-27В | 1050 | 1180 | 2 | 1000 | 1110 | 1 |
| 395 | | | 335 | | |
ОРС 18-12Г | 1580 | 995 | 2 | 1530 | 915 | 1 |
ОРС18-13,5Г | 1580 | 1145 | 2 | 1530 | 1065 | 1 |
ОРС 18-15Г | 1580 | 775 | 2 | 1530 | 705 | 1 |
| | 385 | | | 315 | |
ОРС 18-18Г | 1580 | 995 | 2 | 1530 | 925 | 1 |
| | 465 | | | 395 | |
ОРС 18-21Г | 1580 | 1195 | 2 | 1530 | 1125 | 1 |
| | 565 | | | 495 | |
ОРС 18-24Г | 1580 | 1030 | 4 | 1530 | 960 | 2 |
ОРС 18-27Г | 1580 | 1175 | 2 | 1530 | 1105 | 1 |
| | 525 | 4 | | 455 | 2 |
ОРС 21-9В | 1350 | 695 | 2 | 1300 | 615 | 1 |
| 395 | | | 335 | | |
ОРС 21-12В | 1350 | 995 | 2 | 1300 | 915 | 1 |
| 395 | | | 335 | | |
ОРС21-13,5В | 1350 | 1145 | 2 | 1300 | 1065 | 1 |
| 395 | | | 335 | | |
| 1880 | 385 | | 1830 | 315 | |
ОРС 21-15В | 1350 | 775 | 2 | 1300 | 705 | 1 |
| 395 | | | 335 | | |
| 1880 | 465 | | 1830 | 395 | |
ОРС 21-18В | 1350 | 995 | 2 | 1300 | 925 | 1 |
| 395 | | | 335 | | |
ОРС 21-9Г | 1880 | 695 | 2 | 1830 | 615 | 1 |
| 1880 | 565 | | 1830 | 495 | |
ОРС 21-21В | 1350 | 1195 | 2 | 1300 | 1125 | 1 |
| 395 | | | 335 | | |
| 1880 | | | 1830 | | |
ОРС 21-24В | 1350 | 1030 | 2 | 1300 | 960 | 1 |
| 395 | | | 335 | | |
| 1880 | | | 1830 | | |
ОРС 21-27В | 1350 | 1080 | 2 | 1300 | 1110 | 1 |
| 395 | | | 335 | | |
ОРС 21-12Г | 1880 | 995 | 2 | 1830 | 915 | 1 |
ОРС21-13,5Г | 1880 | 1145 | 2 | 1830 | 1065 | 1 |
ОРС 21-15Г | 1880 | 775 | 2 | 1830 | 705 | 1 |
| | 385 | | | 315 | |
ОРС 21-18Г | 1880 | 995 | 2 | 1830 | 925 | 1 |
| | 465 | | | 395 | |
ОРС 21-21Г | 1880 | 1195 | 2 | 1830 | 1125 | 1 |
| | 565 | | | 495 | |
ОРС 21-24Г | 1880 | 1030 | 4 | 1830 | 960 | 2 |
ОРС 21-27Г | 1880 | 1175 | 2 | 1830 | 1105 | 1 |
| | 525 | 4 | | 455 | 2 |
БРС 28-9 | 1350 | 695 | 2 | 1300 | 615 | 1 |
| 395 | | | 335 | | |
БРС 28-12 | 1350 | 995 | 2 | 1300 | 915 | 1 |
| 395 | | | 335 | | |
БРС 28-18 | 1350 | | | 1300 | 735 | |
| | 750 | 4 | | 685 | 1 |
| 395 | | | 335 | 735 | |
| | | | | 685 | |
ПРИЛОЖЕНИЕ 6
Справочное
СОЕДИНИТЕЛЬ ФРАМУЖНЫЙ

1-ограничитель; 2-соединитель
Черт. 1
РУЧКА-УПОР

Шурупы 1-3´25 по ГОСТ 1145-80 (2 шт.).
Черт. 2
Приложение к письму Минстроя России от 17 апрели 1997 г. № СП-232/13
РЕКОМЕНДАЦИИ
по применению окон и балконных дверей с различными значениями сопротивления теплопередаче (Rо, м2 С/Вт) для жилых и общественных зданий
Градусосутки отопительного периода | Планируемое значение Rотр | Рекомендуемые конструкции деревянных и поливинилхлоридных (ПВХ) окон и балконных дверей | Справочное значение Rо |
до 2500 | 0,38 | Деревянные по ГОСТ 24700 и ПВХ окна с однокамерными стеклопакетами (СПО) | 0,38 |
| | Деревянные спаренные по ГОСТ 11214 | 0,40 |
| | Деревянные раздельные по ГОСТ 11214 | 0,43 |
до 4000 | 0,50 | Деревянные по ГОСТ 24700 и ПВХ окна с двухкамерными стеклопакетами (СПД) | 0,50 |
| | Деревянные по ГОСТ 24700 и ПВХ окна с СПО и теплоотражающим покрытием внутреннего стекла (ТОП) | 0,53 |
до 5000 | 0,55 | Деревянные с тройным остеклением по ГОСТ 16289 | 0,55 |
| | Деревянные со стеклом и СПО по ГОСТ 24699 | 0,55 |
| | Деревянные по ГОСТ 24700 и ПВХ окна с СПД и ТОП | 0,57 |
| | Деревянные по ГОСТ 24700 и ПВХ окна с СПО и ТОП, заполнение-аргон | 0,60 |
до 6000 | 0,65 | Деревянные по ГОСТ 24700 и ПВХ окна с СПД и ТОП, межстекольные расстояния 12 и 8 мм. | 0,65 |
| | с усиленными сечениями профилей | 0,55 |
| | Деревянные спаренные по ГОСТ 11214 с установкой теплового экрана между стекол | 0,65 |
| | Деревянные с тройным остеклением по ГОСТ 16289 с ТОП | 0,65 |
| | Деревянные со стеклом и СПО с ТОП по ГОСТ 24699 | 0,65 |
до 8000 | 0,75 | Деревянные со стеклом и СПО с ТОП по ГОСТ 24699, заполнение-аргон, с усиленным сечением профилей | 0,75 |
| | Деревянные со стеклом и СПД с ТОП по ГОСТ 24699, межстекольные расстояния 12 и 8 мм, аргон, с усиленным сечением профилей | 0,75 |
свыше 8000 | 0,85 | Деревянные с тройным остеклением с ТОП по ГОСТ 16289 и установкой в спаренной части теплового экрана | 0,85 |
| | Деревянные со стеклом и СПО с ТОП по ГОСТ 24699, заполнение-криптон, с усиленным сечением профилей | 1,0 |
Примечания:
1. До внесения изменений в ГОСТ 11214-86, ГОСТ 16289-86, ГОСТ 24699-81, ГОСТ 24700-81 рекомендуется по согласованию с Минстроем России проводить работы по модернизации конструктивных решений окон с учетом современного опыта их производства и применения. При этом в конструкциях окон с сопротивлением теплопередаче выше 0,4 м2 С/Вт рекомендуется применять 2 ряда уплотнительных прокладок.
2. Сопротивление теплопередаче глухой части балконных дверей должно быть не менее чем в 1,5 раза выше сопротивления теплопередаче светопрозрачной части этих изделий.
3. Справочное значение Rо приведено для конструкции с отношением площади остекления к площади заполнения светового проема 0,7-0,75.